2-meter FM receiver with the MC3362 chip
and the Si570 synthesizer
Reciever board with Si570
Here's the receiver board with the Si570 synthesizer on the Arduino board and the LG powered speakers.  The MC3362 is installed dead bug style on a DIP socket.

Why?

A couple of reasons.  A while ago I acquired an Si570 frequency synthesizer done by WA6UFQ for the "Soft Rock" DSP receiver bunch and learned to program for it.  The fact that it can go to 160 MHz got me to thinking about something above the HF realm.  Secondly, I'd seen several articles over the years describing using the MC3362 or similiar FM receiver chips for HF and CW / SSB use and that was on my list to try.  But first I thought I'd try the chip more in its "native" mode.  I had tried to build a 2 meter transceiver back in the 70s when the 2-meter repeater thing was still relatively new and exotic.  Yeah, not any more, but I did want to close the loop on that project.

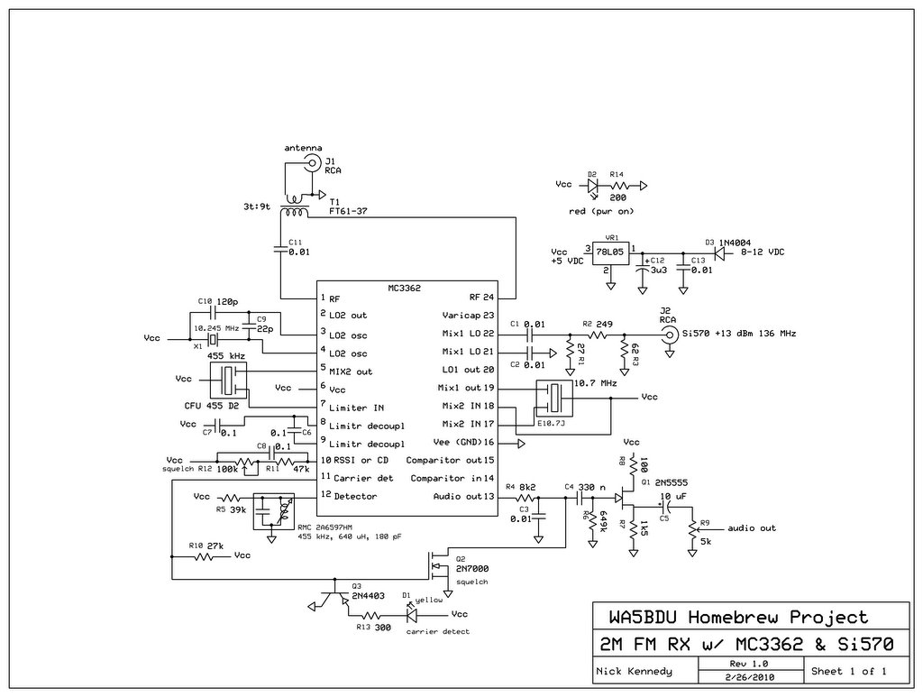
First, here's the link to my schematic___

BTW, the above was my first attempt at using ExpressPCB's free drawing software, so excuse the somewhat cluttered drawing.

How?

It looked pretty easy just following the data sheet, if there aren't two many hard to find parts.  So let me mention them first.  You need a 10.7 MHz ceramic filter, a 455 kHz ceramic filter, and a 455 kHz "quad coil" LC resonator, plus a 10.245 MHz crystal.  Amazingly, I had every one of these parts in my junkbox, a serious testament to my hoarding skills. But they're common in the hamfest flea market area and also from electronics parts houses.

Essentially, the MC3362 is a complete FM receiver on a chip excluding the parts that must be off chip due to their nature (transformers, crystals) or to allow design flexibility.  It is a dual conversion receiver usable up to about 200 MHz with a first IF normally at 10.7 MHz and 2nd IF normally at 455 kHz.  


Parts: filters, crystal, chip, & quad coil

Here are some of the "special" parts the project required. Black cubes in the upper left are 455 kHz ceramic filters.  To the right of that are 10.7 MHz crysal filters I DIDN'T use.  I don't know their BW and suspect their input / output impedance requirement is higher than than of the 10.7 MHz ceramic filters I did use (330 ohms or so). You see I had two types of ceramic filters for 10.7 and I chose those I thought gave about 15 kHz BW.  Hard to find exact data sheets on these things but I did find some info on the web. At the upper right is the "quad coil" 455 kHz resonator required for FM detection.  Below are some 10.245 MHz crystals for the 2nd LO and finally a 24 pin DIP FM receiver.  Actually, it's a MC13135 which is a more modern version of the MC3362 with a couple extra features.

OK, let's go from antenna to speaker and see what's up -

Start with the antenna.  The matching network is probably my weakest link -- a 9:1 impedance matching transformer.  Need to change that.

Needed
next is a local oscillator.  For 2-meters with a 10.7 MHz IF, I need an LO at 146 - 10.7 or about 136 MHz.  The chip actually has an oscillator on-board and the user can add an L/C tank or crystal, but for the channelized operation of 2-meters and for frequency accuracy, the external Si570 synthesizer is ideal.  The chip wants 100 mV rms injected here so I use an attenuator to get the Si570's output down to that level.  You can drive pins 21 and 22 differentially, but I grounded pin 21 through a 0.01 uF capacitor and drove pin 22.

The 1st mixer's 10.7 MHz output is on pin 19 and the 2nd mixer's input is on pin 17, so the 10.7 MHz filter goes between those pins. BTW, I opted for a filter saying it was 15 kHz or so wide, thinking one I had at 6 kHz wide might be a little tight.

The other input to the 2nd mixer is the 2nd LO (local oscillator), which is built-in also, and just needs a crystal.  The crystal needs to be 455 kHz below the 1st IF, putting it at 10.245 MHz.  The capacitors are from the data sheet, although the 22 pF between pins 3 & 4 was originally 50 pF but my frequency was 1.3 kHz low so I experimented to get it fairly close.  A trimmer might have been good there.

The 2nd mixer's 455 kHz output on pin 5 goes to the limiter's input on pin 9 via another ceramic filter.  The limiter is an amplifier chain that removes amplitude variations from the signal by saturating.  This is good for FM and OK for CW, but no good for SSB, so if you use the chip for SSB, you'd take your output from the 2nd mixer and skip the limiter.  But we're doing FM ...

Bypass at pins 8 & 9 are i.a.w. the data sheet.

OK, the 455 kHz signal travels through the limiter and is routed to pin 12 though an internal 10 pF capacitor.  Pin 12 is also connected to an internal multiplier circuit, like those used for product detectors and mixers.  The external parallel resonant circuit connected at pin 12 is what makes it (the multiplier) function as an FM detector.  (When you use the chip for CW, you omit the parallel resonant circuit and instead connect a 455 kHz BFO at pin 12.)  Turns out that in my collection of little silver boxes that look like IF transformers I had one of these resonators.  It's sometimes apparently called a "quad coil" but it includes both the coil (adjustable) and the resonating capacitor.  After some initial difficulties, I adjusted mine to a 455 kHz resonance this way:  Oscilloscope across the resonator, signal generator routed to the resonator through a 22 k-ohm resistor.  Adjust the slug for a peak on the oscilloscope.  Maybe if I hadn't tampered with the adjustment, it was already factory adjusted and would have been fine?  I'm not sure.

Now we're all the way to the audio output.  The data sheet shows the 8k2 resistor and 0.01 uF capacitor to filter the output of the detector down to audio. The data sheet says the chip puts out 350 mV rms audio, open circuit.  That would be enough to drive earbuds to moderate (not loud) volume, but not with a source resistance of 8k2 plus 1k4 internal.  An emitter or source follower would be needed to give low source resistance.  So I borrowed a circuit from my TDA1072 AM/CW one-chip receiver and used a 2N5555 in a JFET source follower.  A 330 nF (0.33 uF) coupling capacitor to block DC, and also tie the gate to ground with a large resistor (649k, but 100k or 1M would be OK too) and the 1k5 source resistor chosen by the W7ZOI JFET biasing method to sort of center the thing at 2 mA standing current.  BTW, this receiver can be a low current demand affair if you're careful with external circuits since the chip only draws about 5 mA.

That about gets us ready to smoke test it but I should mention that the 1st IF's local oscillator is sort of beyond the scope of this article, being that Si570 card I mentioned earlier.  I programmed my Arduino microcontroller board to send it the bits it wants for a couple test frequencies to give me 146.82 and 146.52 MHz, our local repeater and the standard simplex channel.  Oh, there went the low current draw thing - the Si570 card draws 125 mA.

Testing?

Well, it could have worked the first time and it did come close.  Took me a couple days to track down errors.  The biggest one was this: Notice how common returns all go to Vcc instead of to ground?  Of course Vcc is RF ground, and I was following the data sheet.  Except in one place I messed up -- I connected the low side of the resonator at pin 12 to ground instead of to Vcc.  Then I spent two days wondering why the chip was drawing 255 mA instead of 5 mA.  I'm amazed it didn't blow up, but it appears to be undamaged.

So I plugged my little iPod style amplified speakers into the phone jack and was monitoring my HT and the local repeater.  Sounds good.

Additions?

It didn't take long for the continuous blast of white noise with no signal to get old.  (It didn't help that my early version had no volume control.)  So I added a squelch or muting circuit.  Chips like the MC3362 typically have something called RSSI - received signal strength indicator, or what we hams would call an S-meter driver.  Alternately, the RSSI pin can be used in conjunction with pin 12 for a CD "carrier detect" function, which gives a logic level change for signal / no-signal.  That's what the components on pins 10 and 11 are doing for me.  Pin 11 provides the CD output, open collector so it needs that pull-up which is 27 k in my circuit. I measured 4.95 VDC with no signal and less than 0.1 VDC with signal.  I let the 4.95 VDC turn on a 2N7000 MOSFET which pulls the audio output to ground at a hi-Z point.  The MOSFET is essentially "off" when the gate goes near 0 VDC with signal.  I considered using a blocking capacitor since there's a DC path to the chip, but I measured only 2.3 VDC on pin 13 and through 8k2 resistance we're only talking 250 uA or so, not much drain and that surely won't adversely affect the chip.  It works pretty well although I haven't experimented with signals of varying strength.  The 100 k pot sets the threshold.

I added a red LED to show me the board is powered up and then, since I have that CD circuit, maybe an LED to show that a signal is being received would be fun.  Say I've got the powered speakers off, this would tell me there's some repeater activity going on. I first hooked the LED directly to pin 12 from Vcc and a dropping resistor.  Turns out pin 12 can't sink 5 mA without its less than 0.1 volt state rising to over 2 volts, ruining my muting function.  So I added the PNP LED driver to make it work.  More complexity than it's worth, but  I won that battle and that's what counts!

What next?

It was a fun project and it works, but it's quite a lash-up or kludge with the Arduino board and Si570 all cabled together.  It would be a lot more self-contained although less flexible to have a crystal oscillator with two or three 2M FM crystals made for a 10.7 MHz IF.  Turns out I have three from the 70s used with my HW-202 and later a Hy-Gain scanner board. I need to try to build a 3rd overtone crystal oscillator plus a X3 multiplier to use these things.  

And of course, I want to make a HF / CW receiver from one of these.  The articles of references (3), (4) and (5) all describe HF receivers.

References

 
1) Motorola data sheet MC3362/D

2) AN980, Motorola application note for MC3362 & MC3363

3) A Portable QRP CW Transceiver, Gary Breed QST 12/90 and 01/91.

4) http://www.qsl.net/vu2upx/Projects/hfrx_mc3362.htm “HF receiver using MC3362” (Based on The Sprat Receiver by George Dobbs.

5) The SIMPLEceiver, QST 9/86



Nick, WA5BDU
February 27, 2010